0755-85272611

功率分析仪也能轻松实现波形记录和分析?

2024-05-29



概述


功率分析仪是一款被广泛应用于电机、光伏、电动汽车以及家电等行业的测量设备,然而随着测量需求的日趋繁复,如图1所示功率分析仪本身的波形显示功能无法满足用户判断信号失真、噪声过大等深入分析波形的复合化需求。


 图片

图1:横河功率分析仪的波形显示窗口


用户不得不借助示波器进行深入分析。如图2所示,用户利用示波器的缩放窗口观察波形的微小异常、对多种波形参数如周期波形进行计算统计等操作。



图片

图2:横河示波器的测量项目一览图


横河IS8000集成软件平台,将功率分析仪的波形采集与示波器的波形数据分析融为一体,提高测试效率。


下面我们将为您揭晓如何通过IS8000软件和WT5000的DS波形数据流功能轻松保存并分析相关波形数据。

图片



如何实现波形记录和分析一体化?





1
连接与设置

首先,确保在WT5000已安装DS选件,并通过千兆以太网或USB3.0与上位机连接。在通道设置界面的列表中,选择需要显示和记录的波形及数值项目。

2
数据采集与分析

设定完成后,WT5000将进入IS8000的数据采集界面。一旦记录完波形数据,IS8000将在新窗口中展示这些已记录的波形,并允许用户像示波器中的波形一样对WT5000采集的这些波形数据进行深度分析。

3
多视图界面

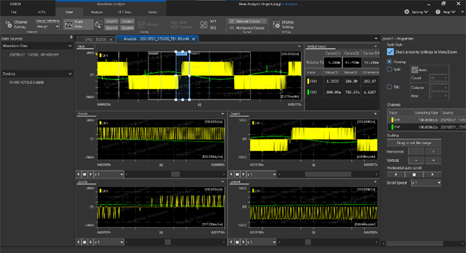
IS8000提供独特的缩放视图配置,还能通过最多四视图的界面(如图3),让用户在不同比例下查看同一波形位置,以便对相关数据进行纵横比较。


图片

图3:IS8000的四视图界面

4

动态观测波形参数

在波形缩放视图中,用户可借助滚动显示,动态观测波形变化;如图4所示,打开功率数值显示窗口,用户即可将观测波形及其对应数值一览无余;在参数设置栏目中,用户还可根据自身的测量需求设置波形的峰峰值、上升时间等系列波形参数;而在测量结果列表中,用户还能轻松将每个波形和相关测量项目一一对应。


图片

图4:IS8000的功率数值显示窗口


IS8000的附加功能


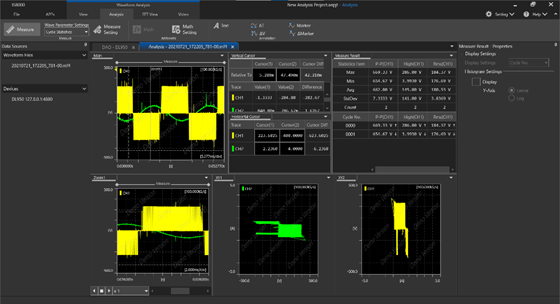
除波形参数测量外,IS8000还可以对波形参数进行周期统计,并以列表形式显示每个周期的测量参数值。此外,IS8000还能同时进行20组FFT分析,并对FFT曲线进行光标测量和缩放显示。(如图5所示)


图片

图5:IS8000的测量参数值与对应波形


通过IS8000集成软件与功率分析仪WT5000的强强联合,看似无法在功率分析仪中完成的波形分析功能亦能轻松实现,不仅确保测试的准确性,还大大提升了工程师们的测试效率。快来关注我们,获取更多仪器操作的实用技巧吧!