断路器作为电网系统中的重要设备,其可靠性直接影响电力系统的可靠运行。经统计,断路器机械操作机构方面的故障是导致断路器故障失灵的主要因素之一。因此,研究探索有效的机械操作机构状态检测手段,对于及时发现断路器机械缺陷,提高断路器整体可靠性具有重要意义。ITECH的IT6500C可编程直流电源可以模拟断路器的高速通断,通过示波器来监控其电流波形。下图为某品牌分闸电磁阀及其无缺陷电流曲线使用IT6500C可编程直...
2025-11-2828
2025-11
上篇文章我们了解了有功功率>视在功率的原理,这篇我们来分享下解决方案。对于这种工况(大电压/小电流)怎样才能精准测量呢?推荐采用仪器本体测量,即电流直接串联的方式(如下图)大电压小电流时,可采用上图电流表内接的方式,以避免电压表分流的影响。横河功率计WT310E有5mA~20A大范围量程,支持测量毫瓦级的待机功耗以及最大23A电流测试,能满足大部分家电以及小功率电源的全程动态测量。此外,横河功率分析仪WT500...
2025-11-2727
2025-11
横河DL950作为一款高速的示波器记录仪具有普通示波器无法比拟的超大采集内存以及最高16bit的ADC精度,此外隔离模块最高1000V的输入耐压,能胜任大部分测试场景的需求。用户的实际测试环境,会有各种不同的测试条件,例如高差模低共模、低差模高共模以及多个开关器件的测试、多个串联电池的测试等。在这些较为复杂的测试场景中,我们配置测试设备和测量探头,就不能只依据模块或探头的耐压,还需要关注其他相关问题。检查模块...
2025-11-2424
2025-11
随着移动互联网、人工智能发展趋势下,半导体技术及材料发展,相关市场商机不容小觑,尤其互联装置越来越多元,对于半导体性能需求大幅提升,加上虚拟实境(VR)、扩增实境(AR)和智慧车等新领域不断演进,当中提升半导体的先进封测产能将成为发展关键。在半导体元件测试领域,艾德克斯更是深耕多年并拥有众多的产品线。LIC(锂离子电容器)的ESR测量*ESR:等价串联电阻锂离子电容器是一种兼具高能量密度和高功率密度特性...
2025-11-2222
2025-11
一、会议概览会议时间:2025年11月22日会议地点:深圳好日子皇冠假日酒店2025(亚洲)工程师技术高峰论坛覆盖全国各个地区超千人参会,三大会场覆盖电源管理,宽禁带半导体,电路可靠性设计,测试测量,电池管理系统,医疗电源,电机驱动控制,充电桩,物联网,AI服务器,算力电源等热门领域。欢迎各位工程师与业内同仁共襄盛举!二、会议日程三、样机展示KRJ-T9000高动态同步多合一智能测试系统DLM5000系列 8通道混合信号示...
2025-11-2121
2025-11
近年来,在LED产业大放异彩的同时,随之而来的是日趋激烈的市场竞争。驱动电源作为LED产品长寿命、易控制等高性能的重要保障,其测试测量技术和方案引起了越来越多电源模块厂商和灯具制造商的重视。测试LED恒流源的电子负载目前市场上传统电子负载的CR和CV两种传统模式并不能完全满足LED恒流源的测试需求,测试过程中会出现电压和电流抖动的问题,这是由于LED恒流源输出的电流波形比较大所致。艾德克斯IT89...
2025-11-2121
2025-11
首先,我们通过图1的测试原理图,可以解决以下两大问题:①鉴于可控硅的触发控制极通常不需要很大的驱动力,电压也不要要太高,但是要求驱动信号根据待测物的特性发生变化。例如,利用其触发电路,调整可控硅的导通角从而改变马达的平均工作电压实现对马达的调速控制。图1 测试原理图②从根本上解决通常如图11电路原理图所产生的问题。从图2看出,以前实验者们往往会通过一个开关下面的电路来转换测试信号的极性,此方法略微“笨拙...
2025-11-2020
2025-11
相比较于去使用一个真实的电池进行测试,通过模拟电池特性去测试电池有着非常多的好处。首先,仿真电池能够非常有效地减少测试时间,提供重复性的测试结果并且创造一个安全的测试环境。另外,通过测试电池温度和老化测试,也可以减少准备时间,避免操作者的失误以及结果的偏差等因素。测试实例下图是我司IT6431(±15V, ±10A,150W)的simulator功能,主要适用于模拟电池的电压和容量,用IT6431来代替实体的电池,提供一个电...
2025-11-2020
2025-11
艾德克斯IT7300高性能可编程交流电源的特征:①通过STEP模式和LIST模式,为用户提供简单易行的方式来实现输出参数逐步或连续的变化;②输出电压的幅度、频率、相位、波形等参数也可以通过对仪器内的内部触发或外部触发的控制来输出。其中,以艾德克斯IT7300交流电源为例,阐述具有的作用。一是,可以模拟各种电源瞬间断电、突波、缓升等特性。其面板结构及其相应波形效果图 如图1-图4所示图1 IT7600面板波形图图2 I...
2025-11-1919
2025-11
在这个手机追求极薄极轻的时代,如何在小体积内塞进一块功率很大的电池来保证续航已成为行业内需克服的重点。因此,对于手机电池的模拟测试也越来越被行业重视。针对行业测试的需求,IT6400系列电源因其独特的电流双极性设计,以及0-1Ω可变的输出阻抗,不仅适用于对各类便携式电池进行充、放电测试,还可以模拟电池的充放电特性,协助进行其他各项测试。一台仪器实现多种用途,极大地精简了测试设备,并优化了测试流程。以下重点...
2025-11-1919
2025-11
燃料电池交流阻抗是燃料电池发电性能的关键数据,进行燃料电池的交流阻抗测试可以识别有问题的燃料电池单体及其在组装过程中产生的偏差。完成不同频率下的交流阻抗测试后,即可得到燃料电池的电化学阻抗谱。ITECH IT8900A电子负载可以简化测量过程,本文将介绍如何使用ITECH电子负载实现交流阻抗测试的方法。一、为什么需要测量交流阻抗由于燃料电池具有非线性阻抗,薄膜阻抗的电学特性可以表征其内部元素的损失,因此...
2025-11-1818
2025-11
实测问题大致情况是用AC电源驱动电源产品,由电子负载控制输出功率,采用WT系列功率分析仪测量电流、电压、功率等参数,电压采用并联的方式、电流采用100A额定的shunt采集,压降由BNC线接入WT系列功率计的外部传感器端子。按测试工程师的描述:在正常工况下,电流/电压功率等电力参数测试数据均无异常,但在低载约80VA测试时(约数百毫安电流),WT系列功率计的显示会出现:视在功率=0、无功功率=0、电流=0、但奇怪的...
2025-11-1717
2025-11
Itech的测试过程测试机型:IT8811实现方式:在CC模式下,用上位机软件IT9000-PV8800编辑List模拟电机纹波波形,设定周期2ms或20ms,实际波形的周期均为800ms,编辑列表见表一:表一、IT9000上位机软件list功能的纹波编辑仿真500Hz和1kHz纹波的测试波形参见图二,图三。图二 500 Hz纹波模拟图三 1 kHz纹波模拟艾德克斯IT8811直流电子负载均可通过list功能编辑复杂波形,如模拟电机纹波波形,从而测试电动车窗防夹...
2025-11-1616
2025-11
在工业测量场景中,横河无纸记录仪(如GP20)凭借稳定性能备受青睐,但不少用户会遇到数据频繁跳动的问题,直接影响测量精度和工作效率。其实不用慌,只需简单几步开启抗干扰模式,就能快速解决问题。今天就为大家带来超实用的操作指南,新手也能轻松上手!一、数据跳动的核心原因横河记录仪数据跳变,大多和外部干扰相关1、工业现场存在电机、变频器等设备,会产生电磁干扰,影响信号传输;2、传感器接线接触不良或布线不合理,...
2025-11-1515
2025-11
防夹功能在欧洲和美国都已经建立了相应的行业性标准,大量汽车采用了电动车窗,而许多车窗都不具备防夹功能。在受到电动车窗伤害的人群中年龄在6-15岁的儿童居多,为了保证安全,越来越多的厂商配置了车窗的防夹功能。该功能在玻璃上升中遇到一定的阻力就会马上停止上升或向下降到最低,能够为您提供人身安全的保护。在您对车窗进行升降时如果您的孩子碰巧将手伸出窗外,没有配备防夹功能的车窗就会对您的孩子造成伤害,而如果具备...
2025-11-1515
2025-11
一、硬件配置充电设备:直流电源IT6592D(80V/1200A/30KW),采用恒压充电方式,充电电压5V放电设备:直流电子负载IT8930-150-1920(150V/1920A/30KW),采用恒流放电模式,放电电流1000A测试硬件如下图1所示:图1测试硬件二、软件测试ITS5000是一款电池测试系统软件,它通过编辑测试步骤可以对电池进行恒流充电、恒压充电、恒流放电、恒功率放电和恒阻放电的测试,支持固定值和脉冲模式充/放电,可以进行循环操...
2025-11-1313
2025-11
随着新能源行业的发展,新材料电池的应用越来越广泛。全钒液流电池(VanadiumRedoxFlowBattery,VRB),是一种活性物质呈循环流动液态的氧化还原电池。近年来,钒电池发展迅速,大功率的钒电池储能系统已投入实用,并全力推进其商业化进程。艾德克斯致力于提供新能源行业的测试解决方案,有IT8900A/E大功率电子负载、IT6500大功率直流电源等多款高性能产品可供选择,以完成钒电池的充放电测试。一、工作原理钒电池电能...
2025-11-1212
2025-11
电脑现在已经是我们生活、工作中必不可少的工具,而电源作为电脑的关键部件不仅仅在性能上要符合相关的规范和标准,而且它的负载能力、可靠性以及对于主板以及外设的兼容性都对整机系统的可靠稳定运行有很大的影响。在实际测试时由于测试线存在阻抗,会产生压降。IT8700系列为了保证测量精度,自带远端量测功能,用户可以用该端子来测量被测仪器的输出端子电压,用远端量测接线法来补偿线上压降,可以大大提高测量的精度。动态测...
2025-11-1010
2025-11
应用背景随着光伏逆变器、UPS技术的不断发展和市场的不断扩大,对逆变器效率的要求也越来越被制造商所重视,三电平的拓扑结构便应运而生。与传统两电平结构相比,三电平逆变器具有功率器件电压应力及损耗低、输出波形质量好、效率高等优势,是现在光伏逆变器技术发展的新方向。三电平逆变电路的工作原理三电平结构每个桥臂由4个IGBT和6个二极管构成,以下图典型的拓扑结构,分析A相逆变桥臂的中点电位变化为例,来简述三...
2025-11-0707
2025-11
上篇介绍了传感器测量原理,这篇就具体解释热电偶和热电阻的测温差异。因为我们测量温度时,除了仪器的测量精度,还要考虑传感器误差。传感器传感器类型和公差:传感器公差和温度系数的组合定义了温度传感器的温度特性,元件公差越大,传感器与广义曲线偏差越大,传感器变化也就越大。图1 铂电阻温度计(A级)和热电偶K、T(1级)的公差。图2 铂电阻温度计(B级)和热电偶K、T(2、3)的公差。由图2可以看到不同级别、相同级...
2025-11-0606
2025-11
在电脑电源的众多测试项目中,时序特性测试以及动态测试这2项关键测试都需要有一台功能强大,测试精度高的电子负载。ITECH的明星产品IT8700系列多路输入可编程直流电子负载动态测试可达25KHZ,测量分辨率可达0.1mV0.01mA,艾德克斯IT8701双路主机框,用户可根据通道数和功率需求在8款负载模组中自由选配,最多可满足16通道的测试需求,在电子元器件、ATE测试系统、太阳能电池、LED、通讯测试、航空航天等多个测...
2025-11-0505
2025-11
以“数采设备+模拟输入模块”组合的方式测试温度变化,需要选择两种不同的温度传感器--热电偶和热电阻(RTD)--它们使用的是两种不同的测试原理。数据采集器温度测量的原理辨析热电阻(RTD)热电阻是一种利用金属电阻与温度成比例增加特性的温度传感器。铂电阻传感器因其高精度测温性能,被广泛应用于常规范围的温度测量,图1是被测对象温度和热电阻阻值关系图:温度的升高与电阻的增加成正比。图1由图1可知,既然被测对象温...
2025-11-0404
2025-11
用户的实际测试环境,会有各种不同的测试条件,例如高差模低共模、低差模高共模以及多个开关器件的测试、多个串联电池的测试等。在这些较为复杂的测试场景中,我们配置测试设备和测量探头,就不能只依据模块或探头的耐压,还需要关注其他相关问题。检查模块的最大输入电压时,不能只考虑输入端子之间的差压,还需要关注每个端子的隔离电压。另外,电压也可以根据模块使用的连接线缆的不同,测量值也不同。测试场景模块规格端子间的...
2025-11-0303
2025-11
01、CAT电气安全标准安全标准下标注的最大可测试电压,并不是仪器或探头的耐压标准,而是对于操作人员来说绝对安全的测量电压。这里的CAT标准是按照IEC1010来分类的,具体如下:衡量测试仪器或探头附件保护电路的关键并非只有最大测量电压这一指标,还包括抵御瞬间高压发生的能力,这一指标更为重要——因为当瞬间高压发生在高能电路时,由于电路能够导致更大电流,其所产生的危害将更为严重。所以安全标准下标注的最大可...
2025-11-0303
2025-11
安全气囊系统(Supplemental Restraint System—SRS)是 汽车上的一种安全防护装置,为降低人身伤亡率发挥着至关重要的作用,其性能测试也是现代汽车安全评价的重要组成部分。为确保其可靠性,国内外均有出台非常严谨的检测规范。目前,通用的安全气囊适用标准包含:国际标准ISO12097-2dao《道路车辆 安全气囊部件 第2部分:气囊模块试验》和国家标准GB/T 19949.2-2005《道路车辆 安全气囊部件 第2部分:安全气囊模块试...
2025-10-3131
2025-10
直流充电桩模拟器测试系统的控制导引电路如下图所示,包括直流充电桩控制器、电阻R1、R2、R3、R4、R5、开关S、直流供电回路接触器K1 和K2、低压辅助供电回路(电压:12V±5 %,电流:10A)接触器K3 和K4、充电回路接触器K5和K6 以及车辆控制器,其中车辆控制装置可以集成在电池管理系统中。电阻R2和R3 安装在车辆插头上,电阻R4 安装在车辆插座上。开关S 为车辆插头的内部常闭开关,当车辆插头与车辆插座完全连接后...
2025-10-3131
2025-10
一、3 台设备的活,1 台全搞定?工程师实测颠覆认知“以前测光伏逆变器,电源、负载、功率计接满线,切换一次场景要半小时!” 某第三方检测机构张工的吐槽,道出了无数工程师的痛点。直到换上艾德克斯 IT7900 回馈式电网模拟器,实验室彻底变了样 —— 这台融合 SiC 技术的 “全能选手”,直接把三台设备的功能装进 3U 机身里。IT7900 的源载一体黑科技堪称革命性:既能当交流电源输出 350V L-N 电压、15kVA 功率模拟...
2025-10-3030
2025-10
工程师都在夸的 “测试神器” 长这样“以前测双向 DC/DC,电源和负载来回换线,一天接线 8 小时,还总烧保险丝!” 某储能企业测试主管李工的吐槽,道出了 2025 年高压大功率测试的普遍痛点。直到换上艾德克斯 IT6000C,这个难题终于被根治 —— 这台融合 SiC 技术的双向电源,正成为光伏、车企、储能实验室的 “新标配”。
2025-10-3030
2025-10
一、打破传统局限:一台设备实现 “供电 + 回收” 双重魔法在光伏逆变器测试车间里,工程师老张再也不用频繁切换电源与负载设备了。他手中的艾德克斯 IT6000C 双向可编程直流电源,正通过一根线缆完成光伏阵列的供电模拟与能量回收 —— 这背后藏着第三代 SiC 技术的硬核实力。不同于传统电源 “只供不吸” 的单向特性,IT6000C 实现了Source 与 Sink 模式的无缝切换:既能输出最高 2250V 电压为设备供电,又能瞬间切换...
2025-10-2929
2025-10
摘要:电源是保障电子仪器正常工作的装置,因此对于电源各项性能指标都有严格要求。随着电子设备对电源的要求不断变化,电源对于测试仪器及技术的要求也越来越高。本文着重对多路输出电源和大功率电源测试进行阐述,分析多路电子负载在这两种电源测试中的优势。电源是向电子设备提供功率的装置,因此电源的稳定和可靠直接关系到电子设备是否能正常运转。随着电子技术的发展,电子设备的外观、用途等不断变化,这也直接导致对其供电...
2025-10-2828
2025-10
横河WT310E功率计量程跳跃功能(即自动量程切换功能)在复杂电力测试场景中至关重要,其作用、设置方法及最佳使用场景如下一、功能作用1.避免测量中断在积分模式下测量功耗(如待机功率)时,若输入信号突然超出当前量程(如电流骤增),传统功率计会导致测量中断或数据错误。量程跳跃功能可自动切换至更高量程,保证测量连续性和数据准确性。2.提升测试效率无需手动切换量程或重复测试,大幅缩短测试周期,尤其适用于自动化产线...
2025-10-2828
2025-10
交流接触器是一种利用电磁力与弹簧弹力相配合,实现触头接通和分断以达到控制负载电路通断的开关装置,适用于频繁操作和远距离控制,是自动控制电路系统中的重要元件。随着国民经济需求和电力工业的增长,交流接触器的需求持续增长,竞争也日益激烈,为保证产品质量,交流接触器的测试工作尤其重要。以下将以某品牌的交流接触器测试需求为例,详细介绍艾德克斯提供的交流接触器测试方案:开始测试前,我们先了解其工作原理:当交流...
2025-10-2727
2025-10
1.基本概念三端双向交流开关(TRIAC=TRIode(三端)ACsemiconductorswitch)实质上是双向晶闸管,它是在普通晶闸管的基础上发展起来的,它不仅能代替两只反极性并联的晶闸管,而且仅用一个触发电路,是目前比较理想的交流开关器件。其中,双向晶闸管(TRIAC)是由NPNPN五层半导体材料构成的,相当于两只普通晶闸管反相并联,它也有三个电极,分别是主电极T1、主电极T2和栅极G,如图1所示。图1三端双向交流开关...
2025-10-2727
2025-10
引言:“531”新政为狂奔的光伏行业泼了一盆冷水,市场需求的紧缩,迫使光伏企业各出奇招,寻找新的突破口。从单纯的光伏发电,提升为综合的用户智慧能源管理,是许多光伏企业设计的产业升级之路。于是光伏逆变器企业不约而同的将储能产品提上了位。用户侧储能主要会应用于智慧城市、智慧乡村、工业园区、医院、车站、景区等大型工商业、服务业高耗电单位以及缺电、电能质量差的地区,发挥削峰填谷、降低高峰负荷压力等作用,是实现...
2025-10-2626
2025-10
1、展会概览时间:2025年10月28-30日地点:深圳国际会展中心(宝安)展位号:15号馆·A58深圳国际电子元器件及物料采购展览会专注于集中展示从元件到系统、从设计到制造的全产业链新产品:半导体、分立器件、功率器件和模块、开关及连接技术、电阻、电容、电感、继电器、变压器、电路保护等、显示、嵌入式系统、汽车电子、PCB领域的前沿技术、新产品和行业应用解决方案。2、样机展示WT300E数字功率计WT1800R高精度功率分...
2025-10-2424
2025-10
横河GS200源表的应用场景与未来展望在精密测量与自动化测试领域,GS200源表以其高精度、低噪声和多功能性成为工程师的首选设备。它不仅能够提供稳定的电压和电流输出,还能实时监测负载变化,确保测试数据的可靠性。随着半导体、新能源等行业的快速发展,GS200源表在研发与生产环节中的作用愈发凸显。在半导体测试中,GS200源表能够精准模拟器件的工作条件,帮助工程师快速识别参数异常。例如,在功率器件(如MOS...
2025-10-2323
2025-10
与上一代产品DLM4000及DLM3000和DLM2000相比,DLM5000的魅力除了颜值能打,还在于灵魂的万里挑一。全新设计的模拟电路模拟前端,采集系统,触发电路,CPU平台…大多数重要部件都经过全新设计以满足当今的测试需求。将直接输入的电压量程增至300Vrms,减少了残余噪声至原来的50%,因此可以设置500uV与1mV/div的更小量程,从而使DLM5000示波器可以测量更宽动态范围的信号。数字触发电路能轻易捕捉到更大范围变化...
2025-10-2222
2025-10
背景介绍电絮凝法处理废水是利用铝或铁阳极溶出,原位生成高活性的多形态聚铝或聚铁絮凝剂,将水体中污染物微粒聚集成团并沉降或气浮分离的除污工艺。电絮凝法具有效率高、泥量小并易于固液分离、无需外加药剂、二次污染少、操控和设备维护简单、易于自动控制和最终出水中总溶固(TDS)小等优势,现已逐渐成为处理重金属、氟离子以及染料等无机、有机废水的有效方法。电絮凝技术的历史久远,1889年伦敦首先建成电絮凝法处理海水...
2025-10-2121
2025-10
DLM4038 是横河(Yokogawa)公司生产的一款混合信号示波器,适用于嵌入式系统、电力电子、机电一体化和汽车等领域的测试和调试应用。以下是其详细介绍:通道配置:拥有 8 个模拟输入通道,第 8 个输入通道具有 Flex MSO 功能,可通过按钮切换为 8 位逻辑分析仪。还可选择添加 16 个额外的逻辑分析仪输入,实现 24 位逻辑分析。带宽与采样率:带宽为 350MHz,采样率高达 2.5GSa/s。能够准确捕捉和显示高速信号的细节,满...
2025-10-2020
2025-10
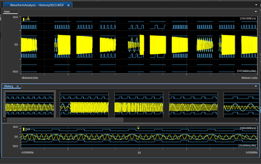
断路器作为电网系统中的重要设备,其可靠性直接影响电力系统的可靠运行。经统计,断路器机械操作机构方面的故障是导致断路器故障失灵的主要因素之一。因此,研究探索有效的机械操作机构状态检测手段,对于及时发现断路器机械缺陷,提高断路器整体可靠性具有重要意义。ITECH的IT6500C可编程直流电源可以模拟断路器的高速通断,通过示波器来监控其电流波形。下图为某品牌分闸电磁阀及其无缺陷电流曲线分闸线圈电流曲线使用I...
2025-10-1919
2025-10
摘要随着汽车电子技术的飞速发展,现代汽车逐步由机械式系统向电子式系统过渡。传统的机械驻车制动系统即俗称的“手刹”,不仅操作繁琐,装置空间大,且长期使用磨损后因不能施加足够拉力而造成安全隐患,已完全不能满足人们对现代汽车方便舒适性及安全性的要求。EPB(Electrical Park Brake)汽车电子驻车系统是优于传统机械制动的一种智能装置,将汽车驻车制动安全技术推向智能化、集成化、系统化,是现代汽车发展必经的一...
2025-10-1818
2025-10
横河DLM3024是横河DLM3000系列中的一款混合信号示波器,以下是其详细介绍:主要特点操作便捷:采用立式设计,8.4英寸电容式触摸屏位于操作面板上方,便于查看,且节省桌面空间。支持点选、拖动、缩放等手势操作,同时保留传统按键,方便用户自由切换操作方式。测量功能丰富:包含29个波形参数测量,最多支持30个同步自动测量,还可进行连续、逐周期或历史存储统计测量,能评估波形波动。具备双缩放功能,可快速放大波形数据,...
2025-10-1717
2025-10
说起可编程直流电源相信大家都不陌生,可编程直流电源被广泛的应用于各个行业:军工研究所,光伏微电网,汽车电子,激光器,动力电池等等。目前我们ITECH最新IT6000系列源载回馈式一体机,电压最高可达2250V功率可达1152kW为业界最高。多数应用中,无论是模拟光伏IV曲线输出,还是汽车电子扰动波形等复杂功能,都以正电压输出为主但其实负电压供电也是非常常见的应用本文就直流电源如何实现负电压输出,及更复杂的正负电...
2025-10-1414
2025-10
一、设备设置(核心步骤)1.启用积分模式按 SHIFT → INTSET(积分设置)→ 选择 NORMAL 模式(累计模式,非循环)。按 SET 确认 → 按 HOLD/ESC 退出设置。2.配置测量时间按 SHIFT → TIMER → 通过方向键设置时长(时/分/秒)→ 按 SET 保存。3.切换测量模式按 SHIFT → MODE → 选择 RMS(均方根模式)确保精度。按 FUNCTION 键切换显示电压(V)、电流(A)、时...
2025-10-1313
2025-10
信号发生器是一种能提供各种频率、波形和输出电平电信号的设备。在测量各种电信系统或电信设备的振幅特性、频率特性、传输特性及其它电参数时,以及测量元器件的特性与参数时,用作测试的信号源或激励源。现在市面上常见的就是幅值最大为±5V的信号,那么如果想实现10V以上的电压时,那么就需要一系列放大电路去把电压值变大,但是放大电路可能会造成信号的失真。那么客户如何可以输出一个稳定的方波信号呢。ITECH的IT600...
2025-10-1313
2025-10
作为三电技术之一的电池行业,一直是新能源汽车产业发展的核心因素,决定其发展命运。消费者最为关注的电池续航里程问题,使得电池发展技术重心移向电池能量密度的提升。然而近年来,随着新型材料的使用,电池能量密度已有大幅度提升,车载充电装置的功率也跨过了10KW这一新高度,于此同时,充电装置的安全性测试成为了行业关注的焦点,围绕充电过程的控制要求也愈发严格。18年5月,针对车辆端交直流充电控制互操作的国标GBT3...
2025-10-1010
2025-10
应用:超级电容测试,电容规格:166F,42V测试条件:CVH:40V CVL:10V Iset:±30A 电流速率:60A/msIT6000C系列双向可编程直流电源将双极性电源和回馈式负载集于一体,既能实现source功能,提供功率,也能实现sink功能,吸收功率。在source状态,IT6000C给电容充电;当电容放电时,IT6000C可切换到sink模式,吸收电容释放的能量。一、双向电流无缝切换图一、CC优先高速图二、CC优先低速上图是实测双向电...
2025-10-0909
2025-10
随着ADAS(高级驾驶辅助系统)需求的增加,系统变得越来越复杂,ECU、传感器和执行器的数量不断增加。而观测传感器和执行器,不仅要测试模拟波形,还要检查车辆串行总线上的数据。在这种情况下,需要同时观察4个以上通道信号的波形测量仪器。DLM5000可以解决燃眉之急。评估开/关机时序FPGA等高性能器件对电源质量要求严格且需要相当数量的电源供电。例如在FPGA中,有很多供电系统,包括核心供电电压,各组与外围电...
2025-09-2525
2025-09
横河DLM3000混合信号示波器,可以清晰精确地测量输入信号,包括模拟信号与数字信号。这款多用途的工具,可以为电路设计师分析信号、波形或电源的效率与可靠性。那我们就来看看,为什么电子工程师这么爱用它。应用领域从DLM3000的速度、性能和带宽这些参数,您就会发现它是许多实验室开发和研发工程师的理想选择。带宽可达200、350或500兆赫兹,每秒2.5G的采样率,精细到每格500微伏量程的信号分辨率,能够满足您速度和精度的...
2025-09-2323
2025-09
重磅新品横河示波器一直以设计精巧,质量稳定著称,深受广大用户喜爱。早在2002年,横河就推出了世界第一台8ch示波器;2012年,推出了DLM4000系列8ch示波器,当时还是世界上唯一的8ch示波器;如今横河继续保持先行者的勇气,经过细心打磨,今年推出了全新的DLM5000系列示波器。 更多灵活通道1、8路模拟通道多至32 bit逻i输入、2、2台同步功能“DLMsync”灵活配置通道数3、引进4通道机型,可以实现“8+8=16”,“8+4=12”, “...
2025-09-2323
2025-09
工程师们使用示波器捕捉到信号波形后,通常还需要读取波形参数并进行分析——常用的方法是用光标功能进行手动测量,或者使用示波器的波形参数自动测量功能。但是,这两种方式都只是对当前屏幕上显示的这一屏波形进行测量,并且对于一些时间项目的测量(如周期、占空比等)有其局限性。在一些特殊的试验场合,如需要长时间测量或需要记录波形变化规律时,仅仅依靠光标或自动测量功能无法完全满足测试需求。这时,就需要示波器的统计功...
2025-09-2222
2025-09
电子负载常用于在电源或其他电能转换设备的产品设计和生产试验中,包括电机驱动器和逆变器。负载一般有两种形式:由功率电阻组成的基础负载和使用主动电路用以动态模拟负载变化的电子负载。负载常用于老化测试进而确定产品早期故障,作为生产测试的一个重要环节。电子负载常被整合到自动测试系统中。测试报告要么被存在本地或者通过电脑接口上传,这样测试数据可以被进一步处理或用于存档。对于多数电子负载而言,他们的通病就是占...
2025-09-2222
2025-09
什么是低维半导体材料低维半导体材料是指维数低于三维的半导体材料,包括量子点材料(零维材料)、量子线材料(一维材料)和量子阱材料(二维材料)。其中碳纳米管是典型的一维材料、石墨烯是典型的二维材料,研究这些材料的物理特性,如电子迁移率,霍尔效应,热导率,电导率,有效质量等等,是目前低维半导体物理主要的研究领域。低维半导体材料研究的意义半导体材料的发展目前共经历了三代,第一代材料是硅和锗,第二代材料是砷化镓(G...
2025-09-2121
2025-09
WT1800E显示切换与设置操作显示项目切换通过DISPLAY键在数值显示、波形记录仪显示及其他格式间切换,支持11种显示格式,可同时查看数值、波形或趋势图。例如,电机启动特性评价时可快速切换至趋势显示模式,时间轴(T/DIV)可在3秒-24小时内设定,同步观测电压、电流等16个参数变化。波形与数值显示:通过旋钮快速选定需查看的参数,6.4英寸TFT屏幕可同时显示4个数值参数或2个波形参数。基础设置流程量程设置:使...
2025-09-1919
2025-09
横河 WT310E 是一款高精度单相数字功率计外观与尺寸外观:采用 4 位 7 段 LED 显示屏,可同时显示多个测量参数,操作面板上有多个功能按键,方便用户进行设置和操作。尺寸与重量:尺寸约为 213mm(宽)×88mm(高)×379mm(深),重量约 3kg,体积小巧,便于携带和安装。WT310E 是横河电机(Yokogawa)推出的一款单相数字功率计,属于 WT300E 系列。主要特点高精度测量:测量精度为读数的 0.1%+ 量程的 0.05%,可满足...
2025-09-1818
2025-09
横河校准实验中心致力于为客户提供优质、可靠的计量校准服务,我们不仅将YOKOGAWA生产厂的测量方法进行了本地化,向我们的顾客提供符合YOKOGAWA QIS标准的原厂校准服务;同时也面向社会,提供符合ISO 17025:2017标准的校准活动(CNAS认可校准),以满足不同领域、行业对测试测量的需求。本校准实验中心于2007年首次通过中国合格评定国家认可委员会(CNAS)的认可,成为符合ISO 17025标准的合格评定机...
2025-09-1818
2025-09
Yokogawa的WT5000功率分析仪拥有世界Zui高精度,帮助工程师实现创新梦想。本文将向您介绍WT5000蕞重要的功能,展示它为什么会成为全球电力系统工程师的Shou选。让我们先了解WT5000特别适合的应用行业。WT5000是一款优秀的高精度功率分析仪,功率带宽范围为5MHz,采用18位AD控制器,采样速率为每秒10MS/s,可直接输入高达30A的电流。具有优异的隔离和抗噪性,基本功率精度为±0.03%,属于业内Ding尖水平。它可以...
2025-09-1717
2025-09
横河示波记录仪DL850E具有强大的分析功能,能够帮助工程师们更高效地进行数据分析,其中FFT分析是常用的功能之一。但很多工程师在初次使用时会感到迷惑,不知道怎样才能得到想要的分析结果。本期推文就对DL850E的FFT功能进行详细的介绍。什么是FFT功能?所谓FFT,就是运用傅里叶变换,将波形从时域变换到频域的方法。原信号经过傅里叶变化后得到的波形称为频谱。使用频谱分析可以清晰地看出信号中各个频率成分的...
2025-09-1717
2025-09
氢能被誉为21世纪的“终极能源”,具有高效、高压、环保、体积小等优势,氢能转化被视为新能源汽车解决方案的新方向。我国高度重视燃料电池技术的发展。伴随全球各种燃料电池项目的实施,与之配套的基础设施-----加氢站势必快速发展。截止2016年1月全球正在运营的加氢站超过200座(数据来自《全球加氢站统计报告》)。未来5年全球主要国家将加快加氢站建设,2020年全球加氢站保有量将超过435座,2025年有望超过1000座,日本、德国和美...
2025-09-1616
2025-09
交流阻抗测试系统ZM850技术特点高精度--保证高抗干扰性能由于卓越抗干扰电路技术和信号处理功能,实现了评价设备在高电压大电流和干扰严重环境下,对全模组燃料电池实施高精度高稳定性的测量。多通道・同步测量--最大14ch同步测量在测量模组的同时,测量各电芯的阻抗,从而掌握电池模组内部的状态差异。支持频率扫描测量和固定频率测量除了通过频率扫描的Cole-Cole方式,还可利用单频或双频连续测量功能,监视FC电池模组中的...
2025-09-1515
2025-09
燃料电池汽车系统构成▲燃料电池汽车的动力系统▲在新能源汽车的基础上增加了燃料电池系统和DC/DC交流阻抗法针对被测对象输入微小的交流信号,计算电压和电流的幅值比和相位差调整频率,在实虚数坐标系将演算值绘制成曲线(cole-cole图、内奎斯特图或阻抗频谱图)通过cole-cole图对燃料电池堆的内部状态进行判断▲电池的阻抗测量▲ 电池的阻抗测量燃料电池交流阻抗测试基本原理交流叠加法在燃料电池的放电直流电流上叠加微小测...
2025-09-1414
2025-09
模块电源广泛用于交换设备、接入设备、移动通讯、微波通讯以及光传输、路由器等通信领域和汽车电子、航空航天以及生活的各方各面。为了保证模块电源的安全可靠性能,电源模块离不开完整的测试。AC-DC、DC-DC电源模块的完整测试往往包括开机时间、关机时间、上升时间、下降时间的测试。测试系统,如艾德克斯ITS9500电源测试系统可以完整高效的进行测试。如果不使用测试系统,如何使用直流电源+直流电子负载的方式简单测试...
2025-09-1313
2025-09
交流阻抗测试是电化学中针对各种电池进行特性测试、状态监控的常用方法。通过交流阻抗分析,可以掌握燃料电池的水管理、质子传递、气体扩散等的情况。但燃料电池堆放电电流大、堆电压高、电磁干扰强,给堆交流阻抗测试带来很大困难。ZM850交流阻抗测试系统,测量精度高,而且具有超强的抗干扰能力和对大电压、大电流采集以及对地的隔离能力。使用交流叠加法,通过在燃料电池的放电直流信号上叠加较小的交流信号,测量其交流特性,...
2025-09-1111
2025-09
使用热电偶测温经常会遇到电气干扰的困扰。一方面,近年由于变频电源在各行各业的普及,测试环境变得越来越严酷。另一方面,热电偶温度变化所产生的热电势很小,因此与热电阻等其他传感器相比更容易受到电气干扰的影响。图1是常用变频器等效回路图,可以看到同时存在三种干扰源,50Hz的商用电源,脉宽调制(PWM)产生的高频脉冲干扰(电力密度较高),和低频变频干扰。图1 变频器等效回路图横河的测量仪表所提供的抑制干扰功能包括...
2025-09-1010
2025-09
记录仪在工业现场和科研中有广泛运用,温度测试是重要需求之一,而且应用场景丰富。基于热电偶的测温原理,冷端补偿是热电偶测温时的必须要素,但在实际应用中却很容易被忽略,如何保证冷端补偿的精度是保证热电偶测温精度的一个重要考量。另外,在快速温度测量应用中,我们往往对采集器等二次仪表的采样周期很关注,但是却忽略了与之匹配的热电偶的响应时间,错误选取热电偶从而影响实际测温效果。以下我们对冷端补偿和热电偶响应...
2025-09-0909
2025-09
电压及电流的测量方式电压及电流的测量方式(模式)共有5种:RMS,MEAN,RMEAN,DC,AC1. RMS(真有效值): 产生与向电阻元件施加直流电时的功耗相等能量的交流值。 (例如,1Vrms与1Vdc可以产生相同的能量。)2. MEAN(校正到真有效值的整流平均值):输入正弦波时,可以获得与RMS相同值的廉价测量方法。测量波形绝对值的平均值,换算成有效值表示。对于正弦波,与RMS方式为相同值;对于失真波形,则为不...
2025-09-0808
2025-09
外部存储实现方式与数据冗余设计横河GP10/GP20便携式无纸记录仪通过内部存储器与外部存储介质结合的方式实现数据冗余,确保测量数据的安全性和可访问性。外部存储介质的具体使用需参考设备接口规格,通常支持USB闪存盘或外部硬盘等常见存储设备,用户可通过触摸屏操作将数据直接导出至外部介质。数据存储格式选择与兼容性用户可根据需求选择以下存储格式,以适配外部存储场景:二进制格式:提高数据安全性,适用于需严格保密...
2025-09-0505
2025-09
功率测量和功率计a. 通过功率测量,可以使无法看见的信号(功率)可视化。b. 通过查看功率值的增减,能够掌握节能情况。1. 模拟方法1a.模拟显示(指针显示)b.商用频率。低廉2. 模拟方法2a.数字显示型b.带宽约数十kHz。约1990年~3. 数字方式a.测量100kHz~1MHz宽频带b.高精度、高稳定性。约2000年~数字方式功率分析仪数字式功率计内部构成如下图所示:功率计测量项目1. 基本项目:a. 电压/电流(rms值、mean值、DC值、交流成分...
2025-09-0404
2025-09
电能经过转换,可以成为电热器或者电炉的热量、发动机的旋转力、荧光灯或水银灯的光能等各种能量。测量用电设备电功率的测量仪叫做功率计或者功率分析仪。通过使用功率分析仪,可以将无法感知的电功率信号转换成肉眼可观测的数值(电功率值)形式,得知该电功率值的增减,由此可以掌握电器的性能以及节能情况。在对消耗电力的产品进行开发和评价的时候,功率分析仪是不可或缺的测量仪器。功率分析仪可覆盖的领域节能环保是人类社会可...
2025-09-0303
2025-09
汽车用电磁式继电器是汽车上的重要配件,它有三个主要功能,一是开关作用;二是负荷过载断电保护作用;三是故障断电保护作用。因为用在汽车上,继电器还要经受振动、高低温等严酷环境考验。为了汽车的行驶安全,对汽车用电磁继电器的性能和可靠性进行检测非常必要。根据《中华人民共和国汽车行业标准 QC T 695-2018汽车用继电器检测规范》,汽车用继电器需要进行基本电性能(等效线圈电阻、动作和释放电压、触点压降、耐电压、绝...
2025-09-0202
2025-09
横河数据采集系统GM10标配软件为中国市场量身打造,自发布以来,一直紧跟客户需求,不断升级优化。GM10标配软件iDAQAnywhere已升级至R2版本,新增功能包括识别高速模块和4线RTD模块等、支持高速和双周期模式、增加了3个选件,有效兼容了最新发布的模块和功能。横河总结了用户使用过程中的意见和建议,对软件进行了大幅更新,现已在官网上正式发布了iDAQAnywhere R3版本。新版亮点功能主要包含以下几点:01 实时显...
2025-09-0101
2025-09
由于新能源汽车采用电能作为驱动能源,与传统汽车相比其电气主回路在通断时会产生更大的电弧开关设备的不足可能会导致漏电、着火、爆炸等极端情况。因此新能源汽车的电源回路中必须安装具备很强灭弧能力的安全分断设备高压直流继电器。BDU(Battery Disconnect Unit)电池包断路单元主要元器件就包括正极、负极的主继电器、预充继电器等高压直流继电器,其他还有熔断器,BMU,电流采集元件,铜排,连接器与线束总成等。它是...
2025-08-3030
2025-08
测试中您是否遭遇过如下难题?☑购买了高精度的功率分析仪,但实际测试数据不稳定或精度不够。☑仪器通信板卡不知怎么无法和电脑连通了。☑测量模块损坏,维修更换费用高昂。科瑞杰售后服务团队有近15年的实战经验,总结真实案例,教您如何避坑。希望这些案例,能提醒大家,注意操控细节,可以有效降低仪器故障,提升测量效率,节省维护成本。案例1仪器通信板卡烧坏故障原因推测分析仪器接地不良,异常电流流入板卡,烧坏基板。人为...
2025-08-2828
2025-08
随着新能源汽车行业的快速发展,对于大电流线缆,保险丝,接触器等承载大电流回路的设备测试要求越来越严苛。以新能源汽车充电回路为例:V2G模式:实现电动车和电网之间的互动,从而电网负荷低时,吸纳电能;在电网负荷高时释放电能。V2H 模式:电动车与住宅/商业楼电能互动,在停电时,电动车作为应急电源为重要设备供电。图 1:新能源汽车双向充电设备示意双向大电流测试需求:双向充电桩(快充)既可以将电网380V 交流电转换...
2025-08-2727
2025-08
一、电动车产业快速发展,动力电池退役量庞大碳中和背景下,全球新能源汽车市场快速增长。伴随着动力电池寿命衰减至80%以下,电池的电化学性能将出现明显下滑,难以完全满足汽车正常动力需求,电池将进入报废阶段。综合环保因素、经济因素,废旧动力电池回收是一项必要的工作。而2021年政府工作报告中也强调了要“加快建设动力电池回收利用体系”,动力电池回收行业发展即将加速。二、ITECH针对动力电池回收全周期解决方案回收...
2025-08-2626
2025-08
常规电源只能为负载提供一个正向的输出电压和电流,即工作在第一象限。也有一些应用,特意将输出反接,作为一个负向电源静态地工作在第三象限。但常规电源既不能工作在第二象限作为负电源的可调负载,也不能工作于第四象限对电池进行放电测试等等。极少数的一些双象限电源虽然可以在正负电流间切换,但中间会存在短暂的跳变和不连贯现象等等。图1 电压/电流四象限ITECH 65C系列电源双象限电流功能ITECH 65C系列为一款宽...
2025-08-2525
2025-08
PTC有什么特别之处?PTC是Positive Temperature Coefficient 的简写,是一种常用的加热元器件,由于热阻小,换热效率高,比传统加热丝使用寿命长、更安全可靠等特点,在电器中应用广泛。比如空调,热风机,烘干机,直发器等多种电器都使用了PTC加热元器件。PTC主要由正温度系数的电阻组成。这些电阻为热敏电阻,当温度在某个特定的范围内上升时,它们的电阻会随温度的上升而呈急剧的非线性上升。由于这种特殊的物理...
2025-08-2323
2025-08
YOKOGAWA/横河 DLM3000(DLM3052/DLM3024/DLM3034)示波器提供了更高品质、更为灵活和更加易用的新功能,以提高用户的工作效率并满足当今机电一体化设计的前瞻需求。DLM3000集成了触摸屏操作、固态存储和高速信号处理,通过提供干净的信号、全面的处理和便捷的操作,使工作效率得到显著的提高。参考:前面板参考:后面板第一步 :打开电源开关电源线的连接电源可使用100V 、 200V两种为了确保安全以及充分...
2025-08-2222
2025-08
横河示波器是一种在画面中显示不可见的电信号,使其可以被观测的设备。画面上会显示电压随时间的变化。示波器的画面画面被划分成网格→Division ”(或“Div”)调整电压(垂直)轴及时间(水平)轴调整“1Div 的大小”,读取波形。有用于指定波形显示时序的“触发器”功能和用于位置调整的“位置”设置功能。示波器与其他电压测量仪器横河数字示波器是一种电子测量仪器,核心功能是将电信号(如电压、电流)随时间变化的规律转...
2025-08-2121
2025-08
每种接线方式说明:适用场景(比如三相四线适合不平衡负载)具体接线步骤(哪根线接哪个端子)关键注意事项(比如极性不能接反)测量原理(比如两表法如何计算总功率)横河功率分析仪支持多种测量模式,需根据被测设备特性选择适当的接线方式单相两线制(1P2W):适用于单相负载测量,接线简单,仅需1个功率单元三相三线制(3P3W):常用于三相电机测量,采用两表法接线,需2个功率单元三相四线制(3P4W):适用于三相不平衡负载,...
2025-08-2020
2025-08
横河的功率分析仪都有一个平均功能,这个功能包含两种平均化方法,分别是指数平均和移动平均(也叫线性平均)。平均功能针对电源或负载的变动较大或输入信号的频率较低时数值显示不稳定、读取困难的情况有效。虽然都有详细的计算公式说明,但很多工程师在实际使用中往往无法区分这两种平均化方式,以及使用使用场景上的区别,本文通过计算图表做简单的说明。首先,简单介绍这种平均化的公式:指数平均可以通过设定的衰减常数将数据指...
2025-08-1919
2025-08
以前的文章给大家介绍了很多WT5000功率分析仪强大的测试功能和优异的性能。其实作为一款刚刚诞生一年多就深受广大用户喜爱并屡获殊荣的产品,WT5000的优秀并不只是体现在硬件指标上,它有很多人性化的设计,只有亲自体验过的用户才能感受到。今天我们就来聊一聊WT5000那些受欢迎的细节设计。01中文界面我相信大多数工程师英语水平都很高,英文界面都能应付得来。但是对于很多人来说,还是中文界面更直观,更舒服。在最近一次...
2025-08-1818
2025-08
生活中,我们经常会遇到各种噪声,比如嘈杂声音,又比如受到干扰充满雪花点的视频信号——噪声产生的干扰会使我们无法清晰获得需要的正确信息。这时,我们有两种办法来获取清晰的正确信息:一是放大信息的信号,使其相对噪声信号的能量值足够高;二是降低噪声能量,使其对主信号的能量值足够低。对电信号的测量,同样也会面临各种各样噪声干扰的问题。示波器作为电信号的通用测量仪器,就是把电信号转化为可视的、随时间变化的幅值...
2025-08-1616
2025-08
示波器作为通用的测量仪器,它的使用离不开与之相配套的探头,而面对种类繁多的探头,如何合适的选择和正确的使用决定了是否能够准确安全可靠的测量测试。本篇文章就示波器探头的选择和使用展开论述。接地信号的测量对于接地信号的测量,通常使用横河示波器配套的无源探头701937或701939,即可应对大部分的测量情况。但在使用时应注意探头的接地情况。首先不应随意更换探头自带的接地线,避免接地线连接不良而引入工频噪声,同时其...
2025-08-1515
2025-08
在科技飞速发展的当下,电流测量的精度与稳定性,如同精密仪器的“生命线”,关乎着众多领域的高效运行与创新突破。今天,我们要揭开一款电流测量领域的“璀璨明星”——LEM莱姆IN100-S电流传感器的神秘面纱,一同领略它如何重塑电流测量的标准,为各行业带来前所未有的变革。核心技术,铸就非凡性能LEM莱姆IN100-S电流传感器搭载了先进的磁通门技术,这一技术堪称其 “智慧大脑”,赋予了传感器卓越的测量能力。通过精...
2025-08-1414
2025-08
电动汽车给测试系统提出了独特的测试挑战:微控制器MCU需要采用高功率和高电压。这篇文章将阐述艾德克斯可编程电源和负载如何在减小排放和空间的情况下,让测试MCU变得更加简单。图一是一个典型的MCU的布局,典型的电动汽车电池额定电压360V,最高可达到403Vdc。电池能受MCU的控制,作为汽车电能使用。MCU提供PWM信号给电源进行放大,驱动电机或其他负荷。图一、典型的MCU布局测试MCU的挑战就在于使用真...
2025-08-1313
2025-08
在家电检测中,经常需要把电流,电压,功率等电参数和温度参数进行同步采集。通常我们采取的方案是使用一台功率分析仪和一台数据采集器进行数据采集,然后通过以太网等方式把数据整合在一起,再做数据分析。这种常用方案不仅需要两台设备,还需要有选配的功能,所以这样方案成本不低。有时候会有测试工程师咨询我们的数据采集仪有没有功率测量功能,横河GP、GM、MX等型号的数据采集仪都没有功率测量功能,但是横河数据采集仪...
2025-08-1212
2025-08
高大上的智能机器人生产线,究竟靠什么来管控?横河的技术专家为您揭秘:如何利用便携式示波记录仪来分析机器人的工作状态,帮助工程师设定和监测机器人的操作过程。 机械臂是“机器人”领域中广泛应用的自动化装置,在工业制造、医学治疗、娱乐服务、军事、半导体制造以及太空探索领域都能见到它的身影。尽管其形态各异,但都有一个共同点,就是能够接受指令,精确地定位到三维(或二维)空间上的某一点进行作业。机械臂是一个高...
2025-08-1111
2025-08
多通道源表是指2通道及以上通道数的源表(SMU),可以实现多通道电压/电流源与电压/电流表的自由组合和灵活工作,应对各种复杂的测试需求。每个通道需要有独立的电压、电流量程,既可以单独作为源或者表来使用,也可以源、表兼用。多通道源表的各个通道相互组合、互相配合来完成特定的工作,这就需要我们能够设计出合理、高效的时序关系,触发是实现这些时序关系的关键所在。▲ GS820工作时序图源表(SMU)的触发主要包括内部触...
2025-08-0909
2025-08
开关电源技术和变频技术是建造环保节能社会的重要技术,上一期文章,我们介绍了横河示波器如何帮助工程师测试开关损耗的基础运用和操作方法,本期我们继续介绍高阶版的开关损耗测试方案。对历史存储的应用工程师除了需要测量常规单周期开关损耗,还需要关注多周期开启损耗和关闭损耗。这需要用到示波器的历史存储与统计功能。DLM3000可以在高速波形捕获基础上对数据进行历史存储。它将触发过的波形按时间顺序毫无损失地自动保存...
2025-08-0808
2025-08
“开关”与“损耗”人类社会要向着高效、节能、环保的方向前进,离不了开关电源技术和变频技术的发展。开关模式电源(Switch Mode Power Supply,简称SMPS),是一种高频化电能转换装置,不同于线性电源,开关电源利用的切换晶体管多半是在全开模式(饱和区)及全闭模式(截止区)之间切换,这两个模式都有低耗散的特点,切换之间的转换会有较高的耗散,但时间很短,因此比较节省能源,产生废热较少。在社会需求的推动下,开关...
2025-08-0707
2025-08
高精度功率分析仪WT5000目前有5A和30A两种不同电流量程的输入单元,两者的电压输入端口和外部传感器输入端口都是一样的,只有电流输入端不同。在选购和使用输入单元的时候,我们给出以下几点建议:根据测量电流的大小来选择输入单元不同的输入单元可以测量的电流大小不同。5A的输入单元连续输入,最大允许输入为10A的峰值电流或7A的电流有效值,取较小值。30A的输入单元连续输入,最大允许输入为90A的峰值电流或者33A的...
2025-08-0606
2025-08
横河新一代高精度功率分析仪WT5000发布重要更新,两个新功能选件上市:波形数据流输出(Data Streaming)功能选件和IEC谐波/闪变测量功能选件。WT5000是横河公司2018年9月推出的新一代高精度功率分析仪,上市一年多以来受到了业内客户的广泛肯定。它不但可以保证±0.03%以内的精确度,还拥有高稳定性、抗噪音、灵活的可插拔模块等功能。在此基础上,横河精益求精,持续对WT5000进行优化升级,于2020年3月6日发布了上述两项...
2025-08-0505
2025-08
光纤是光导纤维的简称,是一种由玻璃或塑料制成的纤维,可作为光传导工具。光纤作为现代通信的重要传输介质,市场的需求量不断激增。光纤生产主要分为三个过程:光纤预制棒制备、光纤拉丝、光纤测试。第一步光纤预制棒制备,又称制棒,是将SiCl4等原材料制成与光纤具有相同折射率分布、直径1~3cm的预制棒(preform)。这个制作过程的方法有很多种,都是立足于气象沉积,彼此差异较大,在此不做赘述。图 1 光纤预制棒第二步预制棒制...
2025-08-0404
2025-08
电动汽车转鼓实验(Chassis Dynamometer Test)是电动汽车研发、认证及生产过程中的关键测试环节。工程师通过在实验室中模拟城市、高速及综合路况等多种驾驶工况,评估车辆的续航里程与能耗表现,以此精准测量电池的实际续航能力和电能消耗率(单位:kWh/100km)。其中所获得的数据将直接用于优化电池管理系统(BMS)策略与整车能效设计。在此基础上用户还可通过转鼓实验进行长时间循环测试,有效发现汽车制造过程中的潜在...
2025-08-0101
2025-08
燃料电池交流阻抗是燃料电池发电性能的关键数据,进行燃料电池的交流阻抗测试可以识别有问题的燃料电池单体及其在组装过程中产生的偏差。完成不同频率下的交流阻抗测试后,即可得到燃料电池的电化学阻抗谱。ITECH IT8900A电子负载可以简化测量过程,本文将介绍如何使用ITECH电子负载实现交流阻抗测试的方法。一、为什么需要测量交流阻抗由于燃料电池具有非线性阻抗,薄膜阻抗的电学特性可以表征其内部元素的损失...
2025-07-3131
2025-07
在新能源并网加速的今天,低压分布式发电系统的电网连接对谐波分量的抑制变得瑜伽重要。面对国际IEC 61000-3系列标准(谐波电流标准)和不同国家对2kHz-9kHz高频谐波的严苛要求,如何快速精准地完成谐波测量成为日益迫切的需求!横河根据常用的分布式发电典型项目,将谐波测量功能内嵌入WT5000高精度功率分析仪,灵活应对日益更新的市场化需求。下表即为横河WT5000的谐波测量分组指南,我们逐个详解其中的功能原理及设置方...
2025-07-3030
2025-07
随着全球可持续发展目标(SDGs)的推进和社会环保意识的增强,汽车电动化(EV化)已成为不可逆转的趋势,然而这一趋势也带来了一系列的测量难题:车用充电器的需求激增,家用单相AC电源显然不能满足要求。人们必须寻求更高效快速的充电解决方案——能在短时间内充满足够电量的车载充电机——高压车载充电机应运而生。它必须在自身内部进行升压并支持800V系统电池。如何改善功率因数以实现高效供电?充电器配备有功率因数校...
2025-07-2929
2025-07
近年来,全球气候变暖加速推动脱碳社会转型,太阳能发电因其资源的无限性、安装灵活性及光电转换效率持续提升等优势,成为可再生能源的核心发展领域。在太阳能发电系统中电力调整器通过DC-DC转换对输入的直流电进行升压稳压处理,再经逆变电路转换为交流电输出。高速开关固然是实现能量转换的关键环节,但其损耗却会直接影响系统的整体效率,而传统测量方法更是为测量雪上加霜:极其依赖示波器捕捉电压电流波形,需依靠人工光标...
2025-07-2323
2025-07
WT1800R高精度功率分析仪作为WT1800E的增强型号,为电动汽车、光伏新能源以及家用电器等使用电力电子设备的行业带来全新测量解决方案。继承WT1800E优秀指标01血脉相承兼容WT1800E指令系统,老用户无缝切换。WT1800R的外观尺寸和WT1800E相同,其所内置的WT1800E命令兼容模式更是能让WT1800E的老用户便捷平滑地过渡到WT1800R。02性能复刻功率DC/基本精度:±0.1%电压、电流频率带宽:5MHz采样速度:约...
2025-07-2222
2025-07