
IGBT 芯片及模块

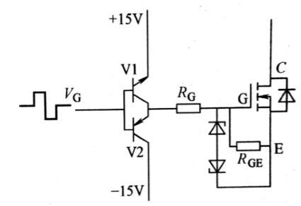
典型IGBT 的栅极驱动电路
IGBT 的端子为C:集电极、G:栅极、E:发射极,一般在G 和E 之间接入‐15V~+15V范围间电压,驱动IGBT 关导通或关断通过正负电压的交替,实现IGBT 的导通和关断控制。
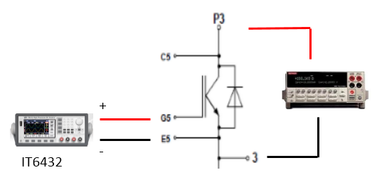
电动车用IGBT 模块常用的典型型号为650V、550A 的模块,其测试项目,主要包括额定值测试、特性测试、耐久性及可靠性测试等。在额定值测试中,我们可以选用艾德克斯IT6500D、IT8900、IT6432 等设备完成测试。
1、集电极‐发射极截止电流ICES 测试
测试条件:在VCE=650V,VGE=0V,Tvj=25°C 的条件下,Ices 需要小于等于5mA。
推荐设备:IT6516D(750V/15A/1800W),IT6432
IT6500D 系列宽范围大功率直流电源,功率高达30kW,电压电流输出高达1000V、1200A,支持CV\CC\CW 模式下上升下降时间可调,具有高分辨率及高精度,模块化设计在大功率应用中更加稳定。

2、栅极‐发射极漏电流IGES 测试
测试条件:在VCE=0V,VGE=20V,Tvj=25°C 的条件下,测试Iges 电流。
推荐设备:IT6432
IT6432 双极性直流电源,输出为±30V、±5A,同时具有超高的电流量测精度达0.005%+0.3uA,电流显示分辨率高达100nA。

3、栅极‐发射极阈值电压VGE(th)测试
测试条件:将C 和E 之间短接,从零开始逐渐增加栅极‐发射极(GE)间的电压,当检测到集电极电流达到规定13mA,记录此时的VGE 值。
测试设备:IT6432

4、集电极‐发射极饱和电压VCE(sat)测试
测试条件:由电压源对被测器件施加规定15V 电压;调节集电极‐发射极电流至规定值(Ic=550A),这时相对栅极脉冲稳定部分的集电极‐发射极电压即为集电极‐发射极饱和电压值。
实验方法:负载控制Ic=550A,IT6432 提供Vge=15V,用DVM 表量测Vce 值。
测试设备: IT6562D(80V/600A/15KW) IT6432 IT8915‐150‐960(150V/960A/15KW)
IT8900 高性能大功率直流电子负载,支持主从机并联,可将功率扩展至600kW,50kHz高速测量、25kHz 动态测试、瞬间过功率加载能力,能满足大功率大电流测试需求。
艾德克斯电子在新能源及功率电子行业有丰富的测试经验, IT6500D 系列宽范围大功率直流电源、IT8900 高性能大功率直流电子负载在大功率、高电压、大电流的场景下均有高性能稳定表现,IT6400 双极性直流电源具备双极性及双象限特性,超高的精度和分辨率是研发测试时的明星电源产品。
深圳市科瑞杰科技有限公司--专注于电子零部件测试技术产品的研发,致力成为可靠性测试技术的领先企业,公司推出的柔性多合一高动态同步测试平台及系列软硬件产品,通过对测试资源、测试知产进行全方位的数字建模,让企业自我快捷实现多场景、复合工况下的智能测试。