深圳市科瑞杰科技有限公司-横河IS8000集成软件平台的开发理念是“合而为一”,可以将多种不同的设备整合起来,也可以将不同数据源同步进行观测和分析。
历史波形观测
横河的示波器和示波记录仪都具有历史存储功能,也就是可以将前面触发过的波形保存在内存中,然后通过历史回放的功能对过去的波形进行分析。这个功能对于批量分析触发波形非常有帮助。
但是在示波器或者示波记录仪中使用历史波形回放功能时,只能够一屏一屏进行回放,不能按时间序列将所有历史波形同时显示在屏幕上进行分析。
IS8000支持历史波形文件的导入,并且在导入历史波形之后,可以在上位机屏幕上显示出所有的触发波形,直观呈现每个触发波形之间的时间序列关系,例如可以直接呈现出某种异常波形出现的时间间隔。
同时,用户也可以打开Zoom缩放窗口,去观察分析某一触发位置的波形细节。

周期统计、历史统计功能
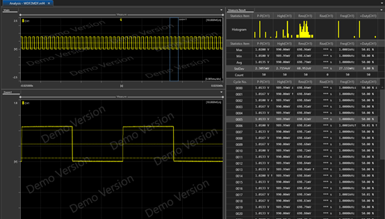
下图是一屏方波的波形,大概有50个周期。如果想获得每个周期的峰峰值、占空比等参数,并且知道哪个周期的值最大或者最小,逐个周期进行手动测量的话,就要花费大量的时间和精力。而通过IS8000的周期统计功能用户可以分分钟轻松完成上述任务,再多的周期也不怕。


横河IS8000是一款功能强大的集成软件,后续还会不断增加更多更实用的功能。感兴趣的朋友可以留言下载试用。
当然,对于这款软件,会存在一些不足之处。如果您在使用过程中遇到任何问题或者有好的建议,欢迎反馈给我们。

科瑞杰作为可靠性测试技术领军企业,深刻了解中国市场的应用需求,提供行业内领先的测试可靠性。KRJ柔性多合一同步测试系统是测试领域的操作系统OS,让测试更加精准、高效、智能、低成本,为企业创造独特的质量安全竞争力。